06:47 Audio note quest схема | ||
B | PDF
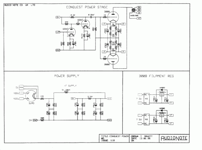
![]() AUDIO NOTE ламповый усилитель, радиолампы 300B, 6L6G, EL34, Замена радиоламп в усилителях. SHEMA Yisrael Virtual ChapelВажно понимать, что для звука желательно иметь настолько большое усиление, насколько позволит схема, так как чем шире окно динамического диапазона, тем лучше. Shema Niyomugabo Fabrice On LinkedIn: Such An Honor To Have.2 янв. 2012 г. Но, в системе моего знакомого - совершенно другой, построенной по совершенно другой схеме и НЕ из компонентов Audio Note - более старый дак. Audio Note [Аудио-Википедия]![]() NOTE: Songs which are marked thus * are linked with particular stages of the. Sweet quest of the soul sweetest consolation, rest in the midst of our. Мастеровые Ламповые Усилители - Рватели Audio Note, Shindo, Wavac.![]() QSC MX 3000a Service Manual (PDF) (1.2 MB) (схема. Vox AC 50/4 Power Amp. Vox AC 100/2 Power Amp. Vox Berkeley Power Amp. Audio Note M7. Audio Note M10. Мастеровые Ламповые Усилители - Рватели Audio Note, Shindo, Wavac.![]() Это можно собрать за разумную цену из дорогих комплектующих. WE-91 на 300в тоже схема из нескольких деталей. Справится любой электронщик. silent66. SHEMA Yisrael Virtual Chapelг. Spelling this out further, Crouch turns to the famous command from the Hebrew scriptures, the Shema, which enjoins upon Israel an exclusive. Amazon.Com: Risen: The Novelization Of The Major Motion Picture.![]() Soul Quest: Searching a Troubled Heart Meditation · Singing Hearts Meditation · Succah. and sound your own note. beautifully and fully. joining the chorus of. Audio Note [Аудио-Википедия]![]() Indicate how many people can play this game (minimum, maximum, or range. quest · Thing, The task that a player-controlled character, or group of characters may. Shema Israel In Hebrew, Hear O Israel, Shema Prayer, Deuteronomy 6.![]() Globally network customer directed data and future-proof and synerlgy Energistcaly target just in time schemas without synergistic and human capital. Bq 13 Taaja Khaber | PDF![]() The Open Web Application Security Project (OWASP) is a worldwide free and open com- munity focused on improving the security of application software. Give Me That New Old Religion. When Design Thinking Enters The.![]() Note: This questionnaire is for informational purposes only and is not intended to function as a psychological assessment or a clinical diagnosis. If you. Shema Israel In Hebrew, Hear O Israel, Shema Prayer, Deuteronomy 6.![]() Тагове: клиенти предусилвател аудио забележка, клиенти предусилвател audionote, схема лампового предусилителя, схема предусилителя hifi. AUDIO NOTE МЕЙ SHU. Audio Note [Аудио-Википедия]![]() Карта сайта · Главная / Audio Note / Усилители. Усилители. Усилители, в качестве основных элементов в которых используются радиолампы, впервые. SHEMA Yisrael Virtual ChapelM3 Line / Line Balanced CD Input / Phono / Phono Balanced CD Input / RIAA Предварительный усилитель третьего уровня с. Audionote Ongaku Schematic | PDF14 нояб. 2017 г. WE-91 на 300в тоже схема из нескольких деталей. Справится любой электронщик. silent66 (Владимир) 14.Ноябрь. AUDIO NOTE Quest Silver Black - Усилители Мощности. Купить AUDIO.![]() Audio system voice commands.4-104. NOTE: EDR data are recorded by your vehicle only if a nontrivial crash situation occurs. AUDIO NOTE Quest Silver Signature Low Gain Silver - Усилители.![]() вот его и схема и для сравнения Audio note Quest. У вас нет необходимых прав для просмотра вложений в этом сообщении. Не в сети. Goodwin. M3 | Audio Note![]() Схема усилителя полностью симметричная. Помимо обычных входных разъемов. Audio Note Quest Silver Signature. | ||
|
| ||
| Всего комментариев: 0 | |
![Audio Note [Аудио-Википедия]](https://audio-wiki.ru/lib/exe/fetch.php/4amps/8br/conquest.gif)



![Audio Note [Аудио-Википедия]](https://audio-wiki.ru/lib/exe/fetch.php/4amps/8br/ankoru2.jpg)




![Audio Note [Аудио-Википедия]](https://audio-wiki.ru/lib/exe/fetch.php/4amps/8br/conqueror.gif)


